仕様 チェーンスクリーン

スクリーンの各寸法について
16:9 マスクフリー(ブラックマスクなし)寸法
| 型番 | サイズ 16:9 | 映写幅 WW(mm) |
映写高さ WH(mm) | スクリーン幅 SW(mm) |
スクリーン高さ SH(mm) | 全幅 W(mm) |
全高さ H(mm) | 重量 (kg) |
|---|---|---|---|---|---|---|---|---|
| BCH1550FEH | 70インチ | 1550 | 1940 | 1550 | 1940 | 1603 | 2036 | 4.5 |
| BCH1780FEH | 80インチ | 1780 | 1940 | 1780 | 1940 | 1833 | 2036 | 5 |
| BCH2000FEH | 90インチ | 2000 | 1940 | 2000 | 1940 | 2053 | 2036 | 5.5 |
| BCH2220FEH | 100インチ | 2220 | 1940 | 2220 | 1940 | 2273 | 2036 | 6 |
| BCH2440FEH | 110インチ | 2440 | 1940 | 2440 | 1940 | 2493 | 2036 | 8 |
| BCH2660FEH | 120インチ | 2660 | 1940 | 2660 | 1940 | 2713 | 2036 | 8.8 |
| BCH2880FEH | 130インチ | 2880 | 1940 | 2880 | 1940 | 2933 | 2036 | 9.4 |
| BCH3100FEH | 140インチ | 3100 | 1940 | 3100 | 1940 | 3153 | 2036 | 10.1 |
製品全高さ2500mmモデル
| 型番 | サイズ 16:9 | 映写幅 WW(mm) |
映写高さ WH(mm) | スクリーン幅 SW(mm) |
スクリーン高さ SH(mm) | 全幅 W(mm) |
全高さ H(mm) | 重量 (kg) |
|---|---|---|---|---|---|---|---|---|
| BCH1550FEH-H2300 | 70インチ | 1550 | 2204 | 1550 | 2204 | 1603 | 2300 | 4.7 |
| BCH1780FEH-H2300 | 80インチ | 1780 | 2204 | 1780 | 2204 | 1833 | 2300 | 5.2 |
| BCH2000FEH-H2300 | 90インチ | 2000 | 2204 | 2000 | 2204 | 2053 | 2300 | 5.8 |
| BCH2220FEH-H2300 | 100インチ | 2220 | 2204 | 2220 | 2204 | 2273 | 2300 | 6.3 |
| BCH2440FEH-H2300 | 110インチ | 2440 | 2204 | 2440 | 2204 | 2493 | 2300 | 8.3 |
| BCH2660FEH-H2300 | 120インチ | 2660 | 2204 | 2660 | 2204 | 2713 | 2300 | 9.1 |
| BCH2880FEH-H2300 | 130インチ | 2880 | 2204 | 2880 | 2204 | 2933 | 2300 | 9.8 |
| BCH3100FEH-H2300 | 140インチ | 3100 | 2204 | 3100 | 2204 | 3153 | 2300 | 10.4 |
| BCH3330FEH-H2300 | 150インチ | 3330 | 2204 | 3330 | 2204 | 3383 | 2300 | 11.2 |
| BCH3330FEH-H2150 | 150インチ | 3330 | 2054 | 3330 | 2054 | 3383 | 2150 | 11 |
4:3 マスクフリー(ブラックマスクなし)寸法
| 型番 | サイズ 4:3 | 映写幅 WW(mm) |
映写高さ WH(mm) | スクリーン幅 SW(mm) |
スクリーン高さ SH(mm) | 全幅 W(mm) |
全高さ H(mm) | 重量 (kg) |
|---|---|---|---|---|---|---|---|---|
| BCH1627FEH | 80インチ | 1627 | 1940 | 1627 | 1940 | 1680 | 2036 | 4.7 |
| BCH1830FEH | 90インチ | 1830 | 1940 | 1830 | 1940 | 1883 | 2036 | 5.1 |
| BCH2033FEH | 100インチ | 2033 | 1940 | 2033 | 1940 | 2086 | 2036 | 5.6 |
| BCH2236FEH | 110インチ | 2236 | 1940 | 2236 | 1940 | 2289 | 2036 | 6.1 |
| BCH2439FEH | 120インチ | 2439 | 1940 | 2439 | 1940 | 2492 | 2036 | 8 |
製品全高さ2500mmモデル
| 型番 | サイズ 4:3 | 映写幅 WW(mm) |
映写高さ WH(mm) | スクリーン幅 SW(mm) |
スクリーン高さ SH(mm) | 全幅 W(mm) |
全高さ H(mm) | 重量 (kg) |
|---|---|---|---|---|---|---|---|---|
| BCH1627FEH-H2500 | 80インチ | 1627 | 2404 | 1627 | 2404 | 1680 | 2500 | 5 |
| BCH1830FEH-H2500 | 90インチ | 1830 | 2404 | 1830 | 2404 | 1883 | 2500 | 5.5 |
| BCH2033FEH-H2500 | 100インチ | 2033 | 2404 | 2033 | 2404 | 2086 | 2500 | 6 |
| BCH2236FEH-H2500 | 110インチ | 2236 | 2404 | 2236 | 2404 | 2289 | 2500 | 6.5 |
| BCH2439FEH-H2500 | 120インチ | 2439 | 2404 | 2439 | 2404 | 2492 | 2500 | 8.5 |
| BCH2643FEH-H2500 | 130インチ | 2643 | 2404 | 2643 | 2404 | 2696 | 2500 | 9.2 |
| BCH2846FEH-H2500 | 140インチ | 2846 | 2404 | 2846 | 2404 | 2899 | 2500 | 9.9 |
| BCH3049FEH-H2500 | 150インチ | 3049 | 2404 | 3049 | 2404 | 3102 | 2500 | 10.5 |
| BCH3252FEH-H2600 | 160インチ | 3252 | 2504 | 3252 | 2504 | 3305 | 2600 | 11.4 |
16:10 ブラックマスクなし寸法
| 型番 | サイズ 16:10 | 映写幅 WW(mm) |
映写高さ WH(mm) | スクリーン幅 SW(mm) |
スクリーン高さ SH(mm) | 全幅 W(mm) |
全高さ H(mm) | 重量 (kg) |
|---|---|---|---|---|---|---|---|---|
| BCH1723FEH | 80インチ | 1723 | 1940 | 1723 | 1940 | 1776 | 2036 | 4.9 |
| BCH1939FEH | 90インチ | 1939 | 1940 | 1939 | 1940 | 1992 | 2036 | 5.4 |
| BCH2154FEH | 100インチ | 2154 | 1940 | 2154 | 1940 | 2207 | 2036 | 5.9 |
| BCH2369FEH | 110インチ | 2369 | 1940 | 2369 | 1940 | 2422 | 2036 | 6.4 |
| BCH2585FEH | 120インチ | 2585 | 1940 | 2585 | 1940 | 2638 | 2036 | 8.4 |
| BCH2800FEH | 130インチ | 2800 | 1940 | 2800 | 1940 | 2853 | 2036 | 9.2 |
| BCH3015FEH | 140インチ | 3015 | 1940 | 3015 | 1940 | 3068 | 2036 | 9.8 |
16:10 ブラックマスクなし 製品全高さ2500mm寸法
| 型番 | サイズ 16:10 | 映写幅 WW(mm) |
映写高さ WH(mm) | スクリーン幅 SW(mm) |
スクリーン高さ SH(mm) | 全幅 W(mm) |
全高さ H(mm) | 重量 (kg) |
|---|---|---|---|---|---|---|---|---|
| BCH1723FEH-H2500 | 80インチ | 1723 | 2404 | 1723 | 2404 | 1776 | 2500 | 5.3 |
| BCH1939FEH-H2500 | 90インチ | 1939 | 2404 | 1939 | 2404 | 1992 | 2500 | 5.8 |
| BCH2154FEH-H2500 | 100インチ | 2154 | 2404 | 2154 | 2404 | 2207 | 2500 | 6.3 |
| BCH2369FEH-H2500 | 110インチ | 2369 | 2404 | 2369 | 2404 | 2422 | 2500 | 6.9 |
| BCH2585FEH-H2500 | 120インチ | 2585 | 2404 | 2585 | 2404 | 2638 | 2500 | 9 |
| BCH2800FEH-H2500 | 130インチ | 2800 | 2404 | 2800 | 2404 | 2853 | 2500 | 9.8 |
| BCH3015FEH-H2500 | 140インチ | 3015 | 2404 | 3015 | 2404 | 3068 | 2500 | 10.4 |
| BCH3231FEH-H2500 | 150インチ | 3231 | 2404 | 3231 | 2404 | 3284 | 2500 | 11.2 |
ワイド(16:9)ブラックマスク付きスクリーン寸法
| 型番 | サイズ 16:9 | 映写幅 WW(mm) |
映写高さ WH(mm) | スクリーン幅 SW(mm) |
スクリーン高さ SH(mm) | 全幅 W(mm) |
全高さ H(mm) | 重量 (kg) |
|---|---|---|---|---|---|---|---|---|
| BCH1771WEM | 80インチ | 1771 | 996 | 1821 | 1940 | 1874 | 2036 | 5.1 |
| BCH1992WEM | 90インチ | 1992 | 1121 | 2042 | 1940 | 2095 | 2036 | 5.6 |
| BCH2214WEM | 100インチ | 2214 | 1245 | 2264 | 1940 | 2317 | 2036 | 6.1 |
| BCH2435WEM | 110インチ | 2435 | 1370 | 2485 | 1940 | 2538 | 2036 | 8.2 |
| BCH2657WEM | 120インチ | 2657 | 1495 | 2707 | 1940 | 2760 | 2036 | 8.9 |
| BCH2879WEM | 130インチ | 2879 | 1619 | 2929 | 1940 | 2982 | 2036 | 9.6 |
| BCH3100WEM | 140インチ | 3100 | 1744 | 3150 | 1940 | 3203 | 2036 | 10.3 |
16:9 ブラックマスク付きスクリーン 製品全高さ2500mm寸法
| 型番 | サイズ 16:9 | 映写幅 WW(mm) |
映写高さ WH(mm) | スクリーン幅 SW(mm) |
スクリーン高さ SH(mm) | 全幅 W(mm) |
全高さ H(mm) | 重量 (kg) |
|---|---|---|---|---|---|---|---|---|
| BCH1771WEM-H2300 | 80インチ | 1771 | 996 | 1821 | 2204 | 1874 | 2300 | 5.3 |
| BCH1992WEM-H2300 | 90インチ | 1992 | 1121 | 2042 | 2204 | 2095 | 2300 | 5.9 |
| BCH2214WEM-H2300 | 100インチ | 2214 | 1245 | 2264 | 2204 | 2317 | 2300 | 6.4 |
| BCH2435WEM-H2300 | 110インチ | 2435 | 1370 | 2485 | 2204 | 2538 | 2300 | 8.4 |
| BCH2657WEM-H2300 | 120インチ | 2657 | 1495 | 2707 | 2204 | 2760 | 2300 | 9.2 |
| BCH2879WEM-H2300 | 130インチ | 2879 | 1619 | 2929 | 2204 | 2982 | 2300 | 9.9 |
| BCH3100WEM-H2300 | 140インチ | 3100 | 1744 | 3150 | 2204 | 3203 | 2300 | 10.7 |
| BCH3322WEM-H2300 | 150インチ | 3322 | 1869 | 3372 | 2204 | 3425 | 2300 | 11.4 |
| BCH3322WEM-H2150 | 150インチ | 3322 | 1869 | 3372 | 2054 | 3425 | 2150 | 11.1 |
製品を上から見た図
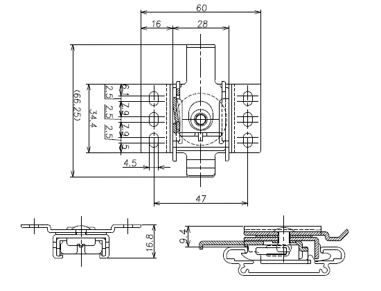
マウントブラケット図面
取扱説明書ダウンロード
ハイビジョンマット2
プロジェクターの映像をすべての方向に均等に拡散するマット系生地です。視野角が広く、斜め方向から視聴する場合でも均一な映像を視聴することが可能です。
生地表面に高繊細なエンボス加工を行ない、フルハイビジョン、4K映像を投映してもプロジェクターの映像とスクリーン幕面の凹凸で発生するモアレ(干渉縞)は一切発生しません。
ガラス繊維の基布を表面、裏面からPVCで挟み込む構造となっています。防炎認定済生地でご家庭のホームシアター環境はもちろん会社の会議室、公共施設などの環境に適しています。
ハイビジョンマット2仕様表
| 生地名 | ハイビジョンマット2 |
|---|---|
| 生地品番 | EH(マスクフリーモデル)またはEM(ブラックマスク付きモデル) |
| 材質 | ポリ塩化ビニール(PVC)、ガラス基材 |
| 防炎 | 対応(防炎性能試験番号取得済) |
| 解像度 | スタンダード、フルハイビジョン(1920X1080)、4K対応(3840X2160) |
| 3D対応 | アクティブシャッター方式:対応 偏光方式:非対応 |
ゲイン
・ピークゲイン0.95±10%・ハーフゲイン60度以上
仕様表
| スクリーンタイプ | チェーンタイプ |
|---|---|
| 本体カラー | ブラック |
| 短焦点、超短焦点プロジェクターの対応 | 未対応 |
| チェーンの長さ | 1250mm |
| マウントブラケット数 | 3個 ※生地幅(SW)699mmまで2個 |
| 使用巻取りパイプの太さ | スクリーン幅2440mmまで48Φ スクリーン幅2441mm以上58Φ |
| 外形寸法(mm)巻き取り時 | 幅:スクリーン幅(SW)+50 奥行:54 高さ:76 |
| 付属品 | 取り扱い説明書・マウントブラケット×3個・ネジ |
付属品
説明書

マウントブラケット×3個

ネジ×6本





































