仕様と寸法 壁スイッチケース付き電動スクリーン

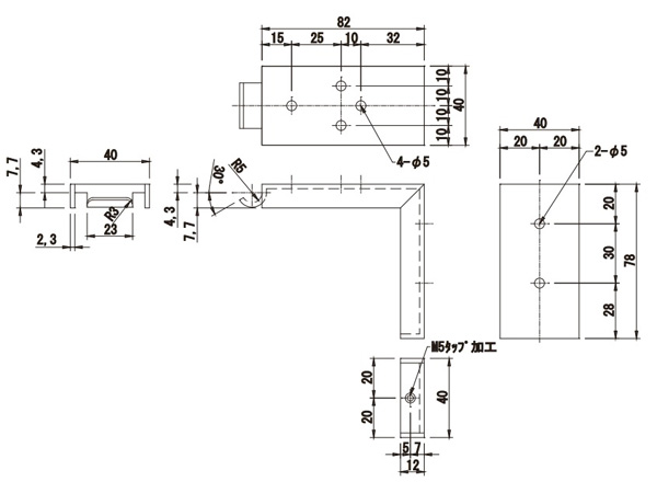
スクリーンの各寸法について
スクリーンを上から見た図
マスクフリースクリーン寸法
16:9 マスクフリー(ブラックマスクなし)寸法
| 型番 | サイズ 16:9 | 映写幅 WW(mm) |
映写高さ WH(mm) | スクリーン幅 SW(mm) |
スクリーン高さ SH(mm) | 全幅 W(mm) |
全高さ H(mm) | 重量 (kg) |
|---|---|---|---|---|---|---|---|---|
| WCK2220FEH | 100インチ | 2220 | 1920 | 2220 | 1920 | 2418 | 2055 | 14.6 |
| WCK2440FEH | 110インチ | 2440 | 1920 | 2440 | 1920 | 2638 | 2055 | 15.7 |
| WCK2660FEH | 120インチ | 2660 | 1920 | 2660 | 1920 | 2858 | 2055 | 16.7 |
| WCK2880FEH | 130インチ | 2880 | 1920 | 2880 | 1920 | 3078 | 2055 | 17.8 |
| WCK3100FEH | 140インチ | 3100 | 1920 | 3100 | 1920 | 3298 | 2055 | 18.9 |
| WCK3330FEH | 150インチ | 3330 | 1920 | 3330 | 1920 | 3528 | 2055 | 20.1 |
16:9 マスクフリー(ブラックマスクなし) 製品全高さ3000mm,4000mmモデル 寸法
| 型番 | サイズ 16:9 | 映写幅 WW(mm) |
映写高さ WH(mm) | スクリーン幅 SW(mm) |
スクリーン高さ SH(mm) | 全幅 W(mm) |
全高さ H(mm) | 重量 (kg) |
|---|---|---|---|---|---|---|---|---|
| WCK2220FEH-H3000 | 100インチ | 2220 | 2865 | 2220 | 2865 | 2418 | 3000 | 15.5 |
| WCK2440FEH-H3000 | 110インチ | 2440 | 2865 | 2440 | 2865 | 2638 | 3000 | 16.7 |
| WCK2660FEH-H3000 | 120インチ | 2660 | 2865 | 2660 | 2865 | 2858 | 3000 | 17.8 |
| WCK2880FEH-H4000 | 130インチ | 2880 | 3865 | 2880 | 3865 | 3078 | 4000 | 20.3 |
| WCK3100FEH-H4000 | 140インチ | 3100 | 3865 | 3100 | 3865 | 3298 | 4000 | 21.6 |
| WCK3330FEH-H4000 | 150インチ | 3330 | 3865 | 3330 | 3865 | 3528 | 4000 | 22.9 |
| WCK3550FEH-H4000 | 160インチ | 3550 | 3865 | 3550 | 3865 | 3748 | 4000 | 24.2 |
| WCK3770FEH-H4000 | 170インチ | 3770 | 3865 | 3770 | 3865 | 3968 | 4000 | 25.5 |
| WCK3990FEH-H4000 | 180インチ | 3990 | 3865 | 3990 | 3865 | 4188 | 4000 | 26.7 |
16:10 マスクフリー(ブラックマスクなし)寸法
| 型番 | サイズ 16:10 | 映写幅 WW(mm) |
映写高さ WH(mm) | スクリーン幅 SW(mm) |
スクリーン高さ SH(mm) | 全幅 W(mm) |
全高さ H(mm) | 重量 (kg) |
|---|---|---|---|---|---|---|---|---|
| WCK2154FEH | 100インチ | 2154 | 1920 | 2154 | 1920 | 2352 | 2055 | 14.2 |
| WCK2369FEH | 110インチ | 2369 | 1920 | 2369 | 1920 | 2567 | 2055 | 15.3 |
| WCK2585FEH | 120インチ | 2585 | 1920 | 2585 | 1920 | 2783 | 2055 | 16.4 |
| WCK2800FEH | 130インチ | 2800 | 1920 | 2800 | 1920 | 2998 | 2055 | 17.4 |
| WCK3015FEH | 140インチ | 3015 | 1920 | 3015 | 1920 | 3213 | 2055 | 18.5 |
16:10 マスクフリー(ブラックマスクなし) 製品全高さ3000mm,4000mmモデル
| 型番 | サイズ 16:10 | 映写幅 WW(mm) |
映写高さ WH(mm) | スクリーン幅 SW(mm) |
スクリーン高さ SH(mm) | 全幅 W(mm) |
全高さ H(mm) | 重量 (kg) |
|---|---|---|---|---|---|---|---|---|
| WCK3231FEH-H2500 | 150インチ | 3231 | 2365 | 3231 | 2365 | 3429 | 2500 | 20.2 |
| WCK3446FEH-H2500 | 160インチ | 3446 | 2365 | 3446 | 2365 | 3644 | 2500 | 21.3 |
| WCK3662FEH-H4000 | 170インチ | 3662 | 3865 | 3662 | 3865 | 3860 | 4000 | 24.8 |
| WCK3877FEH-H4000 | 180インチ | 3877 | 3865 | 3877 | 3865 | 4075 | 4000 | 26.1 |
| WCK4092FEH-H4000 | 190インチ | 4092 | 3865 | 4092 | 3865 | 4290 | 4000 | 27.3 |
4:3製品寸法
| 型番 | サイズ 4:3 | 映写幅 WW(mm) |
映写高さ WH(mm) | スクリーン幅 SW(mm) |
スクリーン高さ SH(mm) | 全幅 W(mm) |
全高さ H(mm) | 重量 (kg) |
|---|---|---|---|---|---|---|---|---|
| WCK2033FEH | 100インチ | 2033 | 1920 | 2033 | 1920 | 2231 | 2055 | 13.6 |
| WCK2236FEH | 110インチ | 2236 | 1920 | 2236 | 1920 | 2434 | 2055 | 14.6 |
| WCK2439FEH | 120インチ | 2439 | 1920 | 2439 | 1920 | 2637 | 2055 | 15.6 |
| WCK2643FEH-H2500 | 130インチ | 2643 | 2365 | 2643 | 2365 | 2841 | 2500 | 17.2 |
| WCK2846FEH-H2500 | 140インチ | 2846 | 2365 | 2846 | 2365 | 3044 | 2500 | 18.2 |
| WCK3049FEH-H2500 | 150インチ | 3049 | 2365 | 3049 | 2365 | 3247 | 2500 | 19.3 |
| WCK3252FEH-H3000 | 160インチ | 3252 | 2865 | 3252 | 2865 | 3450 | 3000 | 21 |
| WCK3455FEH-H3000 | 170インチ | 3455 | 2865 | 3455 | 2865 | 3653 | 3000 | 22.1 |
| WCK3659FEH-H4000 | 180インチ | 3659 | 3865 | 3659 | 3865 | 3857 | 4000 | 24.8 |
| WCK3862FEH-H4000 | 190インチ | 3862 | 3865 | 3862 | 3865 | 4060 | 4000 | 26 |
| WCK4065FEH-H4000 | 200インチ | 4065 | 3865 | 4065 | 3865 | 4263 | 4000 | 27.2 |
ブラックマスク付きスクリーン寸法
16:9製品寸法
| 型番 | サイズ 16:9 | 映写幅 WW(mm) |
映写高さ WH(mm) | スクリーン幅 SW(mm) |
スクリーン高さ SH(mm) | 全幅 W(mm) |
全高さ H(mm) | 重量 (kg) |
|---|---|---|---|---|---|---|---|---|
| WCK1771WEM | 80インチ | 1771 | 996 | 1821 | 1920 | 2019 | 2055 | 12.8 |
| WCK1992WEM | 90インチ | 1992 | 1121 | 2042 | 1920 | 2240 | 2055 | 13.9 |
| WCK2214WEM | 100インチ | 2214 | 1245 | 2264 | 1920 | 2462 | 2055 | 14.8 |
| WCK2435WEM | 110インチ | 2435 | 1370 | 2485 | 1920 | 2683 | 2055 | 15.9 |
| WCK2657WEM | 120インチ | 2657 | 1495 | 2707 | 1920 | 2905 | 2055 | 17 |
| WCK2879WEM | 130インチ | 2879 | 1619 | 2929 | 1920 | 3127 | 2055 | 18.1 |
| WCK3100WEM | 140インチ | 3100 | 1744 | 3150 | 1920 | 3348 | 2055 | 19.2 |
ワイド(16:9)ブラックマスク付き 製品全高さ2300mmモデル
| 型番 | サイズ 16:9 | 映写幅 WW(mm) |
映写高さ WH(mm) | スクリーン幅 SW(mm) |
スクリーン高さ SH(mm) | 全幅 W(mm) |
全高さ H(mm) | 重量 (kg) |
|---|---|---|---|---|---|---|---|---|
| WCK1771WEM-H3000 | 80インチ | 1771 | 996 | 1821 | 2865 | 2019 | 3000 | 13.6 |
| WCK1992WEM-H3000 | 90インチ | 1992 | 1121 | 2042 | 2865 | 2240 | 3000 | 14.7 |
| WCK2214WEM-H3000 | 100インチ | 2214 | 1245 | 2264 | 2865 | 2462 | 3000 | 15.7 |
| WCK2435WEM-H3000 | 110インチ | 2435 | 1370 | 2485 | 2865 | 2683 | 3000 | 16.9 |
| WCK2657WEM-H3000 | 120インチ | 2657 | 1495 | 2707 | 2865 | 2905 | 3000 | 18.1 |
| WCK2879WEM-H3000 | 130インチ | 2879 | 1619 | 2929 | 2865 | 3127 | 3000 | 19.3 |
| WCK3100WEM-H3000 | 140インチ | 3100 | 1744 | 3150 | 2865 | 3348 | 3000 | 20.5 |
| WCK3322WEM-H2150 | 150インチ | 3322 | 1869 | 3372 | 2015 | 3570 | 2150 | 20.3 |
| WCK3322WEM-H3000 | 150インチ | 3322 | 1869 | 3372 | 2865 | 3570 | 3000 | 21.7 |
| WCK3542WEM-H3000 | 160インチ | 3542 | 1992 | 3592 | 2865 | 3790 | 3000 | 0 |
| WCK3542WEM-H2300 | 160インチ | 3542 | 1992 | 3592 | 2165 | 3790 | 2300 | 21.7 |
スクリーンを設置した時の寸法について
天井設置の場合
天井設置時のスクリーンを横から見た図となります。スクリーンボックス内に設置する場合、W200mm×H200mmをご用意ください。
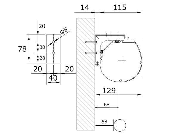
壁付け設置の場合
壁つけ設置時のスクリーンを横から見た図となります。
取扱説明書ダウンロード
ハイビジョンマット2
プロジェクターの映像をすべての方向に均等に拡散するマット系生地です。視野角が広く、斜め方向から視聴する場合でも均一な映像を視聴することが可能です。
生地表面に高繊細なエンボス加工を行ない、フルハイビジョン、4K映像を投映してもプロジェクターの映像とスクリーン幕面の凹凸で発生するモアレ(干渉縞)は一切発生しません。
ガラス繊維の基布を表面、裏面からPVCで挟み込む構造となっています。防炎認定済生地でご家庭のホームシアター環境はもちろん会社の会議室、公共施設などの環境に適しています。
ハイビジョンマット2仕様表
| 生地名 | ハイビジョンマット2 |
|---|---|
| 生地品番 | EH(マスクフリーモデル)またはEM(ブラックマスク付きモデル) |
| 材質 | ポリ塩化ビニール(PVC)、ガラス基材 |
| 防炎 | 対応(防炎性能試験番号取得済) |
| 解像度 | スタンダード、フルハイビジョン(1920X1080)、4K対応(3840X2160) |
| 3D対応 | アクティブシャッター方式:対応 偏光方式:非対応 |
ゲイン
・ピークゲイン0.95±10%・ハーフゲイン60度以上
仕様表
| スクリーンタイプ | 壁スイッチ ケース付き電動スクリーン |
|---|---|
| 操作方式 | スイッチ方式 |
| 短焦点、超短焦点プロジェクターの対応 | 未対応 |
| 巻取りパイプの太さ | 80Φ |
| 仕様電圧 | AC100V 50/60Hz |
| 消費電力 | モーター回転時 100W |
| モーター回転数 | 50Hz 32rpm 60Hz 38rpm |
| スクリーン動作音 | 動作時:51dB ※製品から約30cm離れた位置で測定 |
| 外形寸法(mm) | 幅:スクリーン幅(SW)+177 |
| 付属品 | 取扱説明書・壁スイッチ×1・マウントブラケット2(ベース金具)×4個・取付けネジ×8本、固定ネジ×4本 |




































